Bàn trượt máy phay 2 trục FERVI T013 là thiết bị hỗ trợ gia công cơ khí với khả năng di chuyển hai trục và tích hợp kênh làm mát. Ngay từ đầu, bàn trượt máy phay 2 trục FERVI T013 được thiết kế để đáp ứng nhu cầu gá đặt phôi chính xác trên máy phay, máy khoan hoặc các thiết bị gia công khác. Tay quay điều chỉnh với vạch chia 0,05 mm cho phép thao tác chuẩn xác, giúp kiểm soát tốt quá trình di chuyển bàn trong quá trình vận hành.
Kích thước tổng thể của bàn là 210 x 730 mm, hành trình di chuyển 160 x 360 mm, chiều cao 155 mm, thuận tiện cho nhiều loại máy và ứng dụng khác nhau. Rãnh bàn rộng 14 mm hỗ trợ gá lắp chi tiết hoặc đồ gá. Trọng lượng tịnh 70 kg, đảm bảo độ ổn định khi sử dụng. Bàn được đóng gói trong hộp gỗ, thuận tiện cho việc vận chuyển và bảo quản.
Với kết cấu bằng gang, bàn trượt máy phay 2 trục FERVI T013 mang lại sự ổn định trong quá trình vận hành. Các thông số kỹ thuật rõ ràng giúp người dùng dễ dàng tra cứu và lựa chọn phù hợp với nhu cầu thực tế trong xưởng cơ khí.
Bàn trượt máy phay 2 trục FERVI T013 có thiết kế chắc chắn, phù hợp cho các ứng dụng gia công cơ khí cần độ chính xác cao. Các thông số kỹ thuật được công bố rõ ràng giúp người dùng dễ dàng tra cứu và sử dụng.
Thiết kế chắc chắn, các chi tiết được gia công chính xác giúp bàn trượt vận hành ổn định và đáp ứng tốt các yêu cầu kỹ thuật trong gia công cơ khí.
Bàn trượt máy phay 2 trục FERVI T013 trang bị kênh làm mát và tay quay điều chỉnh, hỗ trợ thao tác chính xác. Các thông số kỹ thuật được công bố đầy đủ, giúp người dùng dễ dàng lựa chọn và sử dụng trong các ứng dụng khác nhau.
Những tính năng này giúp bàn trượt đáp ứng các yêu cầu gia công chính xác, đảm bảo hiệu quả vận hành và độ bền sử dụng.
Bàn trượt máy phay 2 trục FERVI T013 thường được sử dụng trong các xưởng cơ khí, nhà máy sản xuất, trung tâm gia công và các ứng dụng cần gá đặt phôi chính xác trên máy phay, máy khoan hoặc các thiết bị gia công khác.
Mã: T013
Bàn trượt làm việc chéo
Có kênh làm mát. Tay quay điều chỉnh với vạch chia.
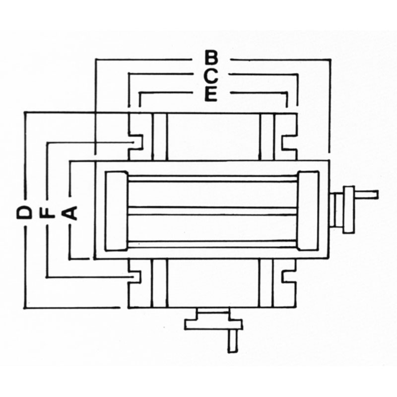
A: 210 mm
B: 730 mm
C: 315 mm
D: 395 mm
E: 240 mm
F: 300 mm
Rãnh: 14 mm
Chiều cao: 155 mm
Hành trình: 160 x 360 mm
Vạch chia: 0,05 mm
Trọng lượng tịnh: 70 kg
Kích thước đóng gói: 920 x 500 x 210 mm
Trọng lượng đóng gói: 72,50 kg
Mã EAN: 8012667199555
Hộp gỗ
Chất liệu gang





Hãy là người đầu tiên đánh giá “Bàn trượt máy phay 2 trục FERVI T013”
| Mã SKU | Giá (VND) | Kho | |
|---|---|---|---|
| Đang tải biến thể... | |||