WITH ADJUSTABLE GRADUATION OF THE HANDWHEEL. EQUIPPED WITH CONICAL GIB WITH SCREW ON THE HEAD AND SCRAPED GUIDES FOR GREATER PRECISION AND BETTER SLIDING.
| Specification | Value |
|---|---|
| Cast Iron | |
| Box | |
| Mill | |
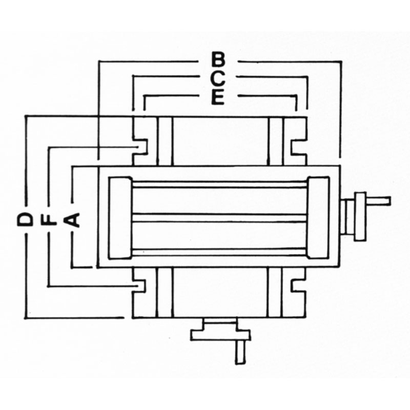
| A | 100 mm |
| B | 185 mm |
| C | 130 mm |
| D | 170 mm |
| E | 104 mm |
| F | 103 mm |
| Slot | 10 mm |
| Height | 100 mm |
| Travels | 50 x 80 mm |
| Signs | 0,01 mm |
| Net weight | 10 kg |
| Packaging dimensions | 310x305x195 h mm |
| Gross weight | 10,75 kg |
| EAN Code | 8012667207199 |
| Mã SKU | Giá (VND) | Mua | Kho | |
|---|---|---|---|---|
| T015 | 17.442.000 đ | |||
| T015/E | 10.385.000 đ |





Hãy là người đầu tiên đánh giá “Bàn trượt máy phay 2 trục FERVI T015”
| Mã SKU | Giá (VND) | Kho | |
|---|---|---|---|
| Đang tải biến thể... | |||