EQUIPPED WITH A SWIVEL BASE. WITH COOLANT CHANNELS. ADJUSTABLE HANDWHEEL GRADUATION.
| Specification | Value |
|---|---|
| Wooden Box | |
| Cast Iron | |
| Mill | |
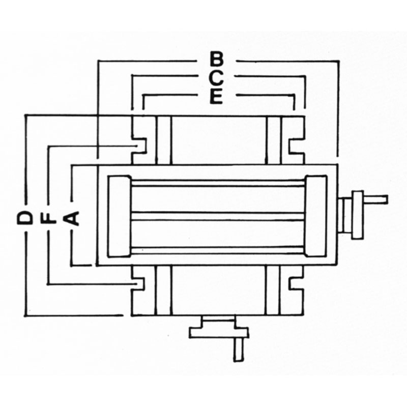
| A | 240 mm |
| B | 600 mm |
| C | 280 mm |
| D | 340 mm |
| E | 260 mm |
| F | 250 mm |
| Slot | 12 mm |
| Height | 160 mm |
| Travels | 155 x 370 mm |
| Signs | 0,02 mm |
| Net weight | 60 kg |
| Packaging dimensions | 780x440x220 h mm |
| Gross weight | 60,00 kg |
| EAN Code | 8012667248376 |





Hãy là người đầu tiên đánh giá “Bàn trượt máy phay 2 trục FERVI T014G”
| Mã SKU | Giá (VND) | Kho | |
|---|---|---|---|
| Đang tải biến thể... | |||