 |
 |
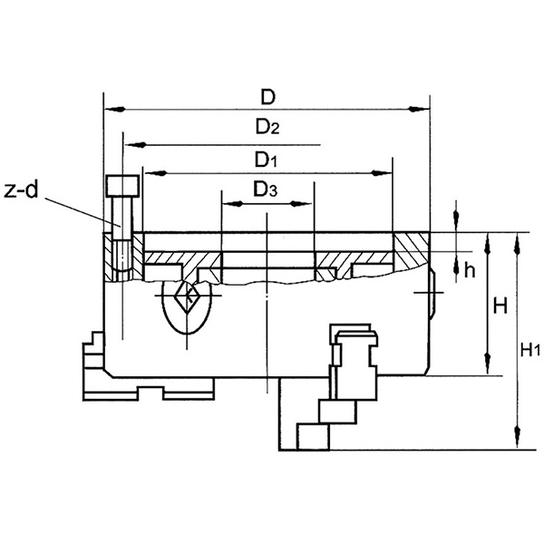
| Bản vẽ kích thước mâm mặp 3 chấu |
Mâm cặp 3 chấu M049
tự định tâm cho máy tiện 80-400mm
Hình ảnh bản vẽ kỹ thuật này sẽ giúp bạn hiểu các thông số của mâm cặp 3 chấu tự định tâm ở 2 bảng bên dưới:
| Model |
D |
D1 |
D2 |
D3 |
H1 |
H |
h |
Lỗ ren |
Size tay quay |
Weight |
| M049A/080 |
80 mm |
55 mm |
66 mm |
16 mm |
66 mm |
50 mm |
3,5 mm |
3-M6 mm |
8 mm |
2 kg |
| M049A/100 |
100 mm |
72 mm |
84 mm |
22 mm |
74,5 mm |
55 mm |
3,5 mm |
3-M8 mm |
8 mm |
3,3 kg |
| M049A/125 |
125 mm |
95 mm |
108 mm |
30 mm |
78 mm |
55 mm |
3,5 mm |
3-M8 mm |
10 mm |
4,8 kg |
| M049A/160 |
160 mm |
130 mm |
142 mm |
40 mm |
95 mm |
65 mm |
5 mm |
3-M8 mm |
12 mm |
9,1 kg |
| M049A/200 |
200 mm |
165 mm |
180 mm |
60 mm |
109 mm |
75 mm |
5 mm |
3-M10 mm |
12 mm |
15,7 kg |
| M049A/250 |
250 mm |
206 mm |
226 mm |
80 mm |
120 mm |
80 mm |
5 mm |
3-M12 mm |
12 mm |
30 kg |
| M049A/320 |
320 mm |
270 mm |
290 mm |
100 mm |
152,5 mm |
95 mm |
11 mm |
3-M16 mm |
13 mm |
47,5 kg |
| M049A/400 |
400 mm |
340 mm |
368 mm |
130 mm |
158 mm |
100 mm |
6 mm |
3-M16 mm |
17 mm |
74 kg |